Optocoupler Speed Sensor Module for Arduino
Optocoupler Speed Sensor Module for Arduino
Couldn't load pickup availability
Slot Type IR Optocoupler Speed Sensor Module LM393 For Arduino Groove Coupler Sensor 3.3V-5V Connect Relay Buzzer Module
Product Features:
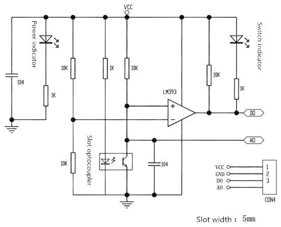
The ITR9606 high-sensitivity slot optocoupler is composed of an infrared light-emitting diode and an NPN phototransistor with a slot width of 5 mm. The sensor is specially equipped with M3 fixed mounting hole. The adjustment direction and fixing are convenient and easy to use. The wide voltage LM393 comparator is used. The signal is clean, the waveform is good, and the driving ability is strong, exceeding 15mA. Widely used in motor speed detection, pulse counting, position limit, etc.
Product parameters:
· Working voltage 3.3V-5V
· Output form: digital switch DO output (0 and 1), analog output AO pin is invalid
Connect VCC and GND, the module power indicator will light, when there is no block in the module slot, the receiving tube will be turned on, the module DO will output low level, and the switch indicator will be on; when blocking, the DO output will be high and the switch indicator will be off. The module DO can be connected to a relay to form a limit switch or the like, or can be connected to the active buzzer module to form an alarm. The DO output interface can be directly connected to the IO port of the MCU. Generally, it is connected to an external interrupt to detect whether the sensor has a occlusion. For example, the motor code wheel can detect the motor speed.
Programming:
The OUT port of the speed measuring module is linked to the external interrupt port of the MCU. Whenever there is infrared ray conduction, it is an external buffer.
Logic design:
Measuring distance:
The speed sensor output is a pulse signal, one pulse is interrupted once; when the infrared ray is turned on, it is low level, so we set the interrupt to the low level touch mode. There are integer grids on the general code wheel. No matter how many grids are in principle, for example, 10 grids, that is, there are 10 spaces. After the motor rotates, the ray is turned on 10 times, and the external low level is touched 10 times. Install the above ideas, our speed sensor can play the effect, we know that there are 10 interruptions in a circle, so we calculate the number of interruptions, the total number of times obtained is divided by 10 is the number of motor rotation, and then according to the wheel The perimeter, calculating how long the wheel is, you can figure out how far the car has run.
Measuring speed:
According to the idea of measuring distance, we use an MCU timer to calculate how many external interrupts are received in one second. For example, if we receive 20 external interrupts in one second, we can judge that the speed of the car is 1 second and the small wheels turn two turns. Then calculate the circumference of the small wheel, you can know the speed of the car for 1 second.
Precautions:
Correct wiring! Never reverse the positive and negative, causing the board electronics to burn out. Raspberry Pi
The player should set the MCU's I/O port to input mode/receive mode, otherwise it will not be available. Other MCUs, or more advanced control boards such as ARM, must be set to input mode/receive mode if the I/O port needs to be set to input/output mode, otherwise it cannot be used. The 51 series MCU can be used directly without setting the input/output mode.
Share



